资料中心
乐成LEDC微模块数据中心资料及知识分享,尝试总结归纳了数据中心规划与设计的理论、方法和实践经验,注重理论与实践相结合
如何做好TN-S系统的接地工作?

TN系统中,根据其保护零线是否与工作零线分开而划分为TN-S系统、TN-C系统、TN-C-S系统三种形式。


今天我们主要分享的是TN-S系统的概念、特点,以及特别注意事项。


1.概念


TN-S系统是具有专用保护零线的中性点直接接地的系统,也叫TN-S接零保护系统。


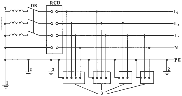
图1:TN-S系统接线图


TN-S系统中,工作零线N和保护零线PE从电源端中性点开始完全分开,即设备外壳连接到PE线上,俗称三相五线制系统。


TN-S系统PE线首末端应做重复接地,以减少PE线断线造成的危险。


2.特点

TN-S方式供电系统它是把工作零线 N 和专用保护线 PE 严格分开的供电系统,其特点如下:


1.系统正常运行时,专用保护线PE上没有电流,只是工作零线N上有不平衡电流。


2.专用保护线PE线对地没有电压,所以电气设备金属外壳的接零保护是接在专用保护线PE上,安全可靠。


3.工作零线N只用作单相照明负载回路。


4.专用保护线PE不允许断线,也不许进入漏电开关。


5.干线上使用漏电保护器,工作零线不得重复接地,而PE线上有重复接地,但是不经过漏电保护器,所以TN-S系统供电干线上可以安装漏电保护器。

3.注意事项


TN-S系统的最大特征是N线与PE线在系统中性点分开后,不能再有任何电气连接,这一条件一旦破坏,TN-S系统便不再成立。


TN-S系统里将工作零线与保护零线完全分开,从而克服了 TN-C供电系统的缺陷,供电系统安全可靠,适用于工业与民用建筑等低压供电系统。

图2:专用变压器供电时TN-S接零保护系统示意


在建筑工程开工前的“三通一平”(电通、水通、路通和地平——必须采用 TN-S 方式供电系统。


目前,单独使用独一变压器供电的或变配电所距施工现场较近的工地基本上都采用了TN—S系统,与逐级漏电保护相配合,确实起到了保障施工用电安全的作用。


同一用电系统中的电器设备绝对不允许部分接地、部分接零。


否则当保护接地的设备发生漏电时,会使中性点接地线电位升高,造成所有采用保护接零的设备外壳带电。


采用TN系统做保护接零时,工作零线(N线)必须通过总漏电保护器,保护零线(PE线)必须由电源进线零线重复接地处或总漏电保护器电源侧零线处,引出形成局部TN-S接零保护系统,如图3所示。

图3:三相四线供电时局部TN-S接零保护系统保护零线引出示意


保护零线必须采用绝缘导线。


保护零线的截面应不小于工作零线的截面,并使用黄/绿双色线。与电气设备连接的保护零线应为截面不少于 2.5mm2的绝缘多股铜线。手持式电动工具的PE线应为截面不小于1.5mm2的绝缘多股铜线。

图4:PE线截面与相线截面的关系


PE线上严禁装设开关或熔断器,严禁通过工作电流,且严禁断线。


相线、N线、PE线的颜色标记必须符合以下规定:相线L1(A)、L2(B)、L3(C)相序的绝缘颜色依次为黄、绿、红色;N线的绝缘颜色为淡蓝色;PE线的绝缘颜色为绿/黄双色。


任何情况下上述颜色标记严禁混用和互相代用。

相关新闻